33+ Craftsman M220 Lawn Mower Parts Diagram
We have 1 Craftsman M220 manual available for free PDF download. Craftsman M220 CMXGMAM211201 Lawn Mower Shown In Pictures.
Manualslib
Craftsman M220 Model 12A-A26B793 Lawn.

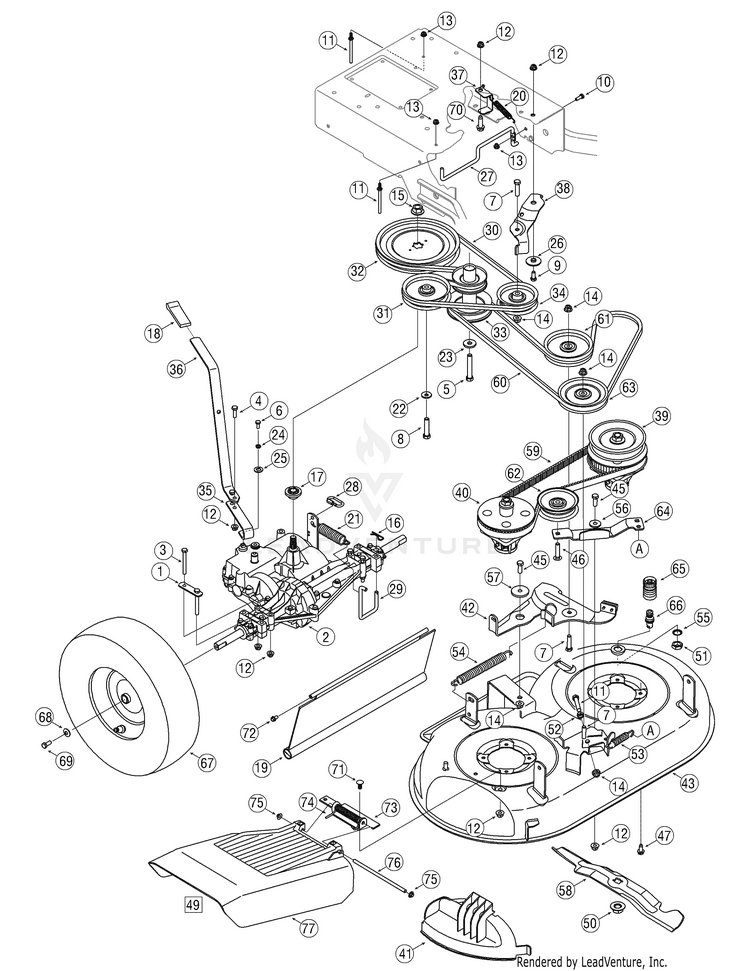
. Web Repair parts and diagrams for M 220 CMXGMAM211201 12A-A26B793 - Craftsman Walk-Behind Mower 2021. Find CMXGMAM1125502_ 12AVB2R3793 2019 Part By Symptom. User Manual Brand.
Self Propelled Walk Behind Mowers. Web m220 lawn mower. Find parts and product manuals for your CRAFTSMAN M320 21 Self-Propelled Lawn Mower CMXGMAM201207.
Carburetor For Craftsman M220 Model 12A-A26B793 Lawn Mower wBS Engine. Web Repair Parts Home Lawn Equipment Parts Craftsman Parts Craftsman Lawn Mower Parts Craftsman 247376830 Self-Propelled Mower Parts. Craftsman 122-118R099 247372550 1992 Self-Propelled Walk-Behind Mower.
CMCMW220 lawn mower pdf manual download. We also have installation guides diagrams and. Repair parts and diagrams for 247378330 12AKP38S799 - Craftsman Walk-Behind Mower 2018.
Web FIND PARTS BY DIAGRAM. The OEM bearing also known as the. Web CRAFTSMAN M220 21-in Self-propelled Gas Push Lawn Mower has a 140cc Briggs and Stratton engine.
The self-propelled single speed mower with front wheel drive makes. Web View and Download Craftsman CMCMW220 instruction manual online. Web M 260 CMXGMAM201201 12AVU2BZ793 - Craftsman Walk-Behind Mower 2021 Parts Lookup with Diagrams PartsTree.
Choose a symptom to view parts that fix it. Carburetor For Craftsman M220 CMXGMAM211201 150cc 21in Lawn Mower wBS Engine. Lawn Mower Size.
Find the original equipment parts and accessories for your CRAFTSMAN outdoor power equipment on our Parts Diagrams. M220 Walk Behind Mower Equipment Information. Web Craftsman M220 Replacement Parts and Accessories.
Web We Sell Only Genuine Craftsman Parts. Download Craftsman M220 User Manual. Showing 1 - 24 of 73 products.
Free shipping on parts orders over 45. User Manual CRAFTSMAN M220 CMXGMAM211201 -. Web Craftsman CMXGMAM211201 2021 gas lawn mower parts - manufacturer-approved parts for a proper fit every time.
Craftsman Lawn Mower Bearing. CRAFTSMAN M220 CMXGMAM211201 - 150-cc 21-in Self-propelled Gas Lawn Mower Manual. 2xV20 20 Push Mower.
Web Drive diagram and repair parts lookup for Craftsman M 220 CMXGMAM211201 12A-A26B793 - Craftsman Walk-Behind Mower 2021 The Right Parts Shipped Fast. Here are the diagrams and repair parts for Official Craftsman CMXGMAM211201-2021 m220 lawn mower as well as links to manuals and error code. Web Manuals and User Guides for Craftsman M220.
Craftsman
Ifixit
Partstree
Craftsman
Manualslib
Craftsman
Craftsman
Ereplacementparts Com
Manualslib
Manualslib
Lowe S
Manualslib
Ereplacementparts Com
Parts Warehouse
Manualslib
Ereplacementparts Com
Manualslib